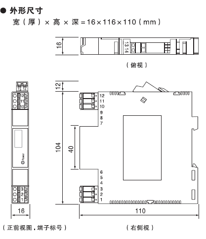
CML2020D配电隔离器
产品特点:
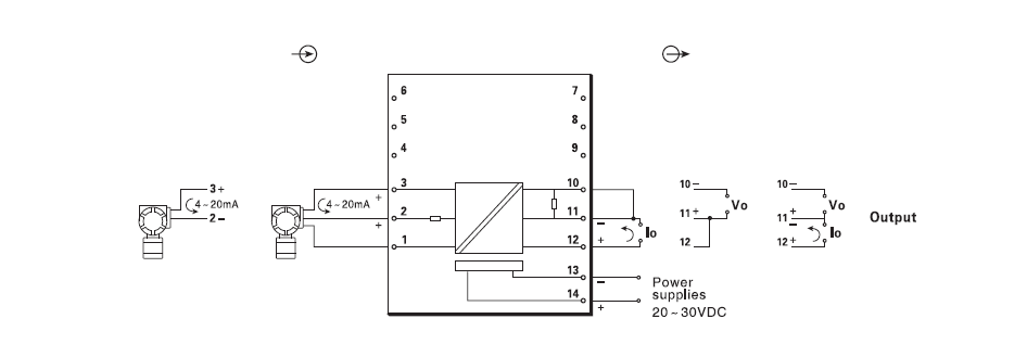
配电式隔离器(通常称配电器)的作用是为原工业现场提供一种两线制传输方式,既要为变送器等一次仪表提供24V配电电源,同时又要对输入的电流信号进行采集、放大、运算、和进行抗干扰处理后,再输出隔离的电流和电压信号,供后面的二次仪表或其它仪表使用。
产品应用:将变送器4~20mA信号隔离传送。可选择4~20mA或1~5V信号输出,或其它所需的直流信号,模块化表芯设计,无需零点和满度调节。带有工作电源指示灯。
CML2020D 电流信号输入配电隔离器(一入一出)
CML2020D 配电隔离器是向现场的变送器提供隔离的电源电压,并将变送器产生的 4~20mA信号经本隔离器转换成所需的直流信号至控制系统或其它智能仪表。LDG8041电流信号输入配电隔离器需要独立供电,供电电源-输入回路-输出回路之间电磁隔离。 一、CML2020D 配电隔离器特性: 1、给变送器提供驱动电压16.5~28V; 2、将变送器4~20mA信号隔离传送,其它所需的直流信号; 3、模块化表芯设计,无需零点和满度调节; 4、单通道,一路输入一路输出,输入回路短路保护; 5、带有工作电源指示灯;

